mapa unicesumar 2025
![]() |
| MAPA – ACIONAMENTOS ELÉTRICOS – 51_2026 | |
| Período: | 23/02/2026 08:00 a 26/04/2026 23:59 (Horário de Brasília) |
| Status: | ABERTO |
| Nota máxima: | 3,50 |
| Gabarito: | Gabarito não está liberado! |
| Nota obtida: | |
CLIQUE AQUI PARA VER A RESPOSTA
| 1ª QUESTÃO | |||
|
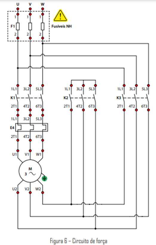
PRIMEIRA TAREFA: DIMENSIONAMENTO DE CONDUTORES A partida estrela-triângulo é um método utilizado para iniciar a operação de motores elétricos trifásicos de indução. Essa técnica é comumente empregada em motores de grande porte, nos quais a corrente de partida pode ser significativamente alta, podendo causar problemas como quedas de tensão na rede elétrica e desgaste excessivo do motor. A partida estrela-triângulo envolve duas etapas distintas: a partida em estrela e a mudança para a configuração em triângulo. Aqui está uma breve descrição de cada etapa: Partida em Estrela: Na fase inicial, os enrolamentos do motor são conectados em estrela (também conhecido como ligação em Y). Mudança para Triângulo: Após um determinado período (geralmente alguns segundos), o sistema muda automaticamente para a configuração em triângulo. A principal vantagem da partida estrela-triângulo é a redução da corrente de partida inicial, diminuindo o estresse tanto para o motor quanto para a rede elétrica. Isso é especialmente útil em situações em que a demanda de corrente no momento da partida pode ser um problema. Vale ressaltar que a partida estrela-triângulo é mais comum em motores de média e alta potência, e seu uso pode depender das condições específicas do sistema elétrico e das características do motor. Fonte: o autor. Dessa forma, monte uma partida estrela triangulo equivalente ao diagrama a seguir e responda às seguintes questões: 3 – Montagem e Operação: a) Realize a montagem prática da partida estrela-triângulo com os componentes disponíveis. Forneça uma foto ou esquema da montagem com os contatos do circuito devidamente identificados.
|
|||
| ALTERNATIVAS | |||
|


